Upper and lower cut off frequency of an amplifier

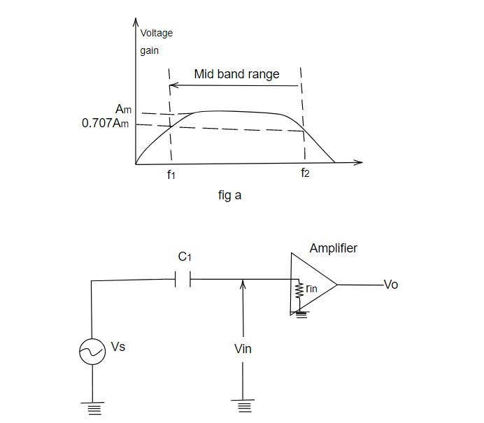
The graph between voltage gain versus frequency is shown in fig (a). The frequency range over which the gain is more or less constant (flat) is called mid band range and the maximum gain in the range is denoted by Am. The lower frequency where the gain equals to the Am/√2 i.e 0.070 Am is called lower cut off frequency and high frequency where gain drops again to Am/√2 is called upper cut off frequency.

The adjoining figure shows the capacitor resistor combination formed by the coupling capacitor and the input resistance at the input side of an amplifier.

This note is taken from MSC physics, Nepal published by Indra Prasad Sapkota and Sushil Kumar Shah.

This note is a part of the Physics Repository.

Previous topic: Low frequency signal mode of FET